DR4D-100/4GN
Derry Motor
| Availability: | |
|---|---|
| Quantity: | |
Universal DC gearmotors provide a balance of the features available on DC motors. They use an DC power source and are used to run appliances and tools such as vacuums, drills, and sanders. They are compact, lightweight, and provide higher starting speeds than other gearmotors. Though they provide the high starting torque of a DC motor, they have less precise speed control and have a lower rpm.
Technical specifications
Motor Model | DR4D-100 | Gearbox Model | 5GU |
Voltage | 12VDC | Gear Ratio | 6:1 |
Rated Power | 100W | Allowable Torque | 3N.m |
Rated Current | 11A | No Load Speed | 360RPM |
Rated Speed | 1800rpm | ||
Rated Torque | 0.53N.m | ||
No Load Current | 1.1A | ||
No Load Speed | 2200rpm | ||
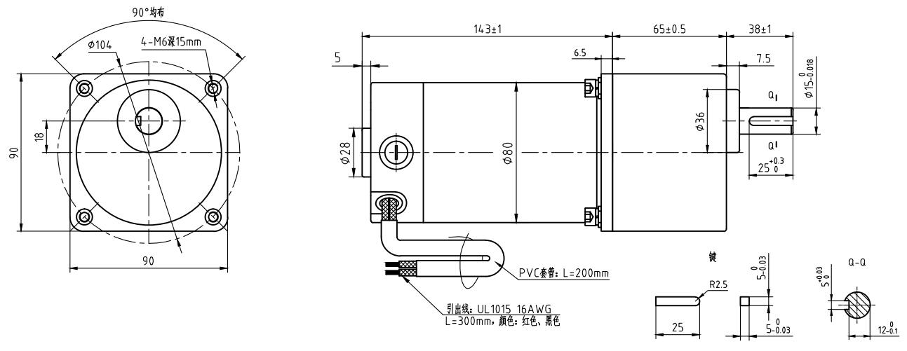
Drawing
Applications
Universal DC gearmotors provide a balance of the features available on DC motors. They use an DC power source and are used to run appliances and tools such as vacuums, drills, and sanders. They are compact, lightweight, and provide higher starting speeds than other gearmotors. Though they provide the high starting torque of a DC motor, they have less precise speed control and have a lower rpm.
Technical specifications
Motor Model | DR4D-100 | Gearbox Model | 5GU |
Voltage | 12VDC | Gear Ratio | 6:1 |
Rated Power | 100W | Allowable Torque | 3N.m |
Rated Current | 11A | No Load Speed | 360RPM |
Rated Speed | 1800rpm | ||
Rated Torque | 0.53N.m | ||
No Load Current | 1.1A | ||
No Load Speed | 2200rpm | ||
Drawing
Applications