DR42-BL
Derry Motor
| Availability: | |
|---|---|
| Quantity: | |
Brushless DC Motors
In internal rotor BLDC motors, the rotor with the permanent magnets rotates on a shaft inside a stationary stator with coils. Their benefits lie in their lower rotor inertia and their better dissipation of heat losses. They are particularly suitable for high speeds.
Advantages
1.Higher efficiency and power density than induction motors (approx. 35% volume and weight reduction with the same output)
2.Long service life and quiet running thanks to precision ball bearings
3.Wide speed range with full motor output due to linear torque curve Reduced electrical interference emission
4.Mechanically exchangeable with stepper motors, hence less construction expense and greater parts variety
Technical specifications
Motor Model | DR42-BL |
Resistance | 0.51Ω |
Inductance | 0.40mH |
Voltage | 12VDC |
Rated Power | 30W |
Rated Speed | 6000rpm |
Rated Current | 4.0A |
Rated Torque | 0.05N.m |
Peak Current | 12A |
Peak Torque | 0.15N.m |
Ke(RMS) | 1.1V/krpm |
Number of Poles | 4 |
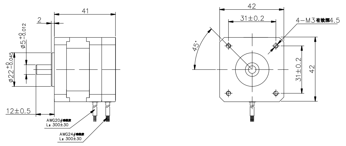
Drawing
Applications
Brushless DC Motors
In internal rotor BLDC motors, the rotor with the permanent magnets rotates on a shaft inside a stationary stator with coils. Their benefits lie in their lower rotor inertia and their better dissipation of heat losses. They are particularly suitable for high speeds.
Advantages
1.Higher efficiency and power density than induction motors (approx. 35% volume and weight reduction with the same output)
2.Long service life and quiet running thanks to precision ball bearings
3.Wide speed range with full motor output due to linear torque curve Reduced electrical interference emission
4.Mechanically exchangeable with stepper motors, hence less construction expense and greater parts variety
Technical specifications
Motor Model | DR42-BL |
Resistance | 0.51Ω |
Inductance | 0.40mH |
Voltage | 12VDC |
Rated Power | 30W |
Rated Speed | 6000rpm |
Rated Current | 4.0A |
Rated Torque | 0.05N.m |
Peak Current | 12A |
Peak Torque | 0.15N.m |
Ke(RMS) | 1.1V/krpm |
Number of Poles | 4 |
Drawing
Applications